北約冷戰防禦構想與國軍防禦計畫比較 在正式對比雙方的作戰理念差異前,我們必須要先了解北約在冷戰中的構想為何。 冷戰時期的北約前線盟國與國軍面臨的問題非常地相似,國軍的問題是解放軍會在哪個灘頭 上登陸,而北約面臨的問題是蘇軍主力會從哪個方向上突破,而蘇軍會選擇從哪裡投入主力 突破防線對於北約來說是生死攸關的問題。 https://i.imgur.com/EmdvkCM.jpg
1983年東德人民軍第5集團軍戰役計畫(突破荷蘭第一軍) 在冷戰環境中,華約陣營為了讓自身具備衝擊力和機動力的優勢,不惜血本的將所有部隊機 械化,成效也確實非常顯著。根據東德方面的計算,一個集團軍單日突擊距離約略落在50- 80公里,,選擇突破方向為荷蘭第一軍(北約北方集團軍群最差的部隊之一),僅需D+5到7 日部隊就可突擊至荷蘭邊境。 在這種恐怖的衝擊力和突擊速度下,北約的反應速度只要比華約國家慢了24小時乃至於12小 時,都可能在戰役層面發生災難性的後果,因此北約發展出了冷戰中最知名的戰術之一,切 片蛋糕防禦(Layer Cake)。 https://i.imgur.com/L2Z6YmA.jpg
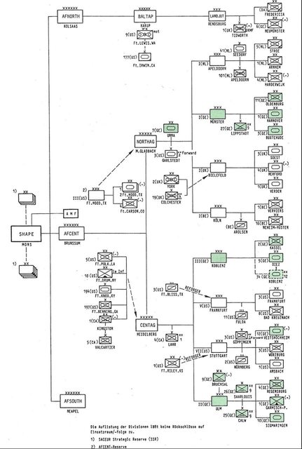
北約AFCENT防區規劃圖 所謂的切片蛋糕防禦,就是將前線邊境上每個蘇軍可能突擊的方向劃成一片橫向條狀防區, 每個防區內駐紮一個軍級部隊。每個軍防區都劃成三個區域,從東至西分別為:掩護部隊區 域、主要戰鬥區域、軍後方區域。 https://i.imgur.com/mNOXQg4.jpg
軍防區內各分區規劃 https://i.imgur.com/mXRSyhZ.jpg
1981 年西德第10裝甲師演習部署圖 每個掩護部隊區域都會部署一個裝甲旅、裝甲騎兵團、裝甲偵察團特遣隊等單位進駐展開。 每個主要戰鬥區域內有三個師,兩個師於前沿陣地展開,一個師於軍後方區域任預備隊及警 戒;每個師下屬兩個旅於前沿陣地展開,一個旅於師後方區域任預備隊及警戒。每個軍後方 區域負責執行戰鬥支援勤務,包括衛生、補給、保修、補充兵、野戰訓練、運輸交通管制等 任務。在軍防區的後方依序分別是集團軍後方戰區和聯絡區,後方戰區是集團軍預備隊和支 援部隊的部署區域,聯絡區則是負責增援部隊進入戰區的調遣和指揮。 https://i.imgur.com/HQQ7VzH.jpg
戰區外援軍進入戰場行進經過區域圖 https://i.imgur.com/Rb6S6nD.jpg
西德第10裝甲師戰鬥地境線 在切片蛋糕防禦中,每個軍、師、旅的戰鬥地境線都是被嚴格劃定的,禁止任何部隊逾越戰 鬥地境線作戰,在未得到集團軍群司令部指令前任何被劃定防區的部隊皆只能在防區內進行 作戰,這些部隊包括荷蘭第一軍、西德第一軍、英國第一軍、比利時第一軍、西德第三軍、 美國第五軍、美國第七軍、西德第二軍以及領土防禦司令部等部隊下屬的前沿防禦師。 那麼,既然大部分的軍沒辦法機動防禦和增援,北約盟軍要讓誰來執行增援任務呢?答案就 是:REFORGER(返德者行動)和其他盟國增援部隊。 https://i.imgur.com/8e5WMIp.jpg
盟軍增援部隊與REFORGER編配關係圖 在北約的戰役構想中,前沿部署部隊在戰鬥開始後會進行持續底抗,REFORGER計畫的美加大 兵會從美國和加拿大搭機至POMCUS領取裝備,編成美國第三軍(轄第1裝甲師、第4裝甲師、 第4步兵師,增援北方集團軍群)和增援中央集團軍群(美國第5步兵師、美國第10山地師、 加拿大第1師、),英國也會從本土海運第2步兵師增援英國第一軍,法國第一集團軍及下轄 三個法國軍也會馳援中央集團軍群成為機動打擊部隊。第一波REFORGER行動後每個北約集團 軍都具備了至少一個軍級機動打擊部隊。 除了REFORGER外,北約集團軍也有直屬部隊可以執行快速反應(德國第7裝甲師、加拿大第1 師第4旅),不過整體上規模並不大,主要仍得依靠盟軍增援。 在前線部隊爭取到時間後,西班牙、葡萄牙等北約盟國部隊也會逐批完成動員加入戰場,當 AFCENT(盟軍中歐司令部)耗盡下屬可用的部隊後,SHAPE(盟軍歐洲最高司令部)會持續 協調調撥AFNORTH和AFSOUTH的部隊進入戰場,直到戰役結束或是互相受不了互丟核彈為止。 回到開頭的文章開頭所提,北約防禦的核心問題在於華約由哪裡投入主力,而國軍問題在於 解放軍從哪裡登陸。雖然問題看起來類似,不過兩者仍然有核心的不同之處。 北約雖然說部隊需要固守作戰地域(或是至少實施退卻作戰),但是華約基本上無法威脅到 北約縱深部隊調動(除了核打擊),因此北約在增援部隊調動實際上握有主動權,問題在於 如何盡可能快速的調遣增援部隊打擊。 國軍的問題則是機動作戰因為無法奪取海空優而無法實施,被迫就地固守和縮短反擊距離。 當國軍在精實案後的多次演習中反覆驗證跨區增援的可能性後認知到了未來無法在失去空優 的戰場環境下執行機動作戰,因此建立了以作戰分區為主的防禦體系。 作戰分區從一開始就有幾個指標需要被滿足:獨力守備、獨立後勤、自力反擊,每個分區都 要有固守一個登陸防線和遲滯敵軍的能力。 https://i.imgur.com/nHRQZWO.jpg
國軍作戰分區防區規劃圖 再之後的話題,可以去參考看看我之前寫過的“守備戰術觀察:從584旅反擊區看國軍防禦 規劃”,這裡我就不再贅述。 基本來說,國軍的作戰分區規劃與北約的切片蛋糕戰術非常雷同,從部署模式到反擊模式, 幾乎都差不多,但是國軍作戰分區模式失敗的具體問題究竟出在哪裡? 答案其實非常簡單:拘束力和機動力。 事實上,國軍規模非常足夠。純論後備部隊,2023年全軍58個後備旅級部隊二三十萬人,西 德聯邦軍規模巔峰也就50萬人,但是裝備密度完全不可與其相比。 國軍的2023年的梯次防禦模式是: ========== 灘岸防線: 灘岸守備步兵旅 灘岸縱深防線: 縱深守備步兵旅 作戰分區打擊部隊待機區: 後備機械化旅、群 作戰區打擊部隊待機區: 打擊旅 主城市帶防線: 城鎮守備步兵旅 軍團後勤區: 後勤單位警衛營、軍團步兵營 ========== 但是西德盟軍的防禦模式卻是: ========== 掩護部隊區域: 裝甲騎兵旅、裝甲偵察團、裝甲旅 軍主要戰鬥區域: 裝甲師、裝甲步兵師 軍後方區域: 裝甲師、裝甲步兵師、機械化警衛營 集團軍後方區域: 國土防衛旅(裝甲步兵旅、摩步旅)、國土防衛團(全摩步) ========== 裝甲騎兵、掩護部隊的基本準則是利用高機動性和火力與敵保持接觸迫使敵方提前展開攻擊 隊形,並且為我方部隊展開攻擊陣型進入陣地爭取時間。國軍同樣有類似掩護部隊概念的單 位,只是是以灘岸守備旅為替代。 論成效:有效,但不完全有效。 事實上,灘岸守備旅的存在確實有迫使解放軍登陸部隊在海上必須展開攻擊隊形,而不是毫 無顧忌的輕鬆魚貫登陸,但是拘束和遲滯的效果完全不合格。 https://i.imgur.com/Fd301wu.jpg
西德5字頭國土安全旅編制 https://i.imgur.com/5kbjnLZ.jpg
西德6字頭國土安全旅編制 不提裝甲旅和裝騎團的裝備,也不提後備部隊完全摩步化機械化,西德連屬於後備部隊的國 土安全旅都在每個連下配置了三支“米蘭”反戰車飛彈。看似豪華而不可高攀,但是這就是 西德實現彈性防禦的根本保障。 即便國軍未來每個後備旅能配賦一個反甲連的拖式,西德一個獵兵營能發揮對戰甲車的拘束 能力也高於國軍一個旅,而使用的人力卻更少。 第二個大問題是:機動力 我這裡說的不是戰區內的機動力,而是跨區調兵的機動能力。 AFCENT能夠源源不絕的投射其他作戰地域的部隊進入戰場,最根本的核心是源自於北約國家 對馳援部隊行徑路線的完全制空制海權。 https://i.imgur.com/wGUogp4.jpg
北方集團軍群REFORGER馳援路線與防區概況 國軍被限制跨區增援,僅能分區固守。看似每個作戰區都能獨力完成防守任務很美好,但是 實際上是對資源的嚴重浪費。假如一個登陸區的反登陸計畫要用9個旅完成,而全國有三個 登陸區,如果部隊有機動力跨區增援的話那麼只要維持9個旅就能完成任務。 但是國軍在解放軍的空中優勢威脅下已經選擇放棄跨區機動,那就代表每個地區都要放同等 數量的戰鬥部隊來完成任務,裝備不足又必須用人數湊。最後的結果就是守備旅永遠填不滿 防區,填不滿防區但是單位又沒辦法編制更好的裝備,最後麵多加水水多加麵使守備部隊規 模水漲船高。 部隊掌握更強的機動投射能力就能更容易在局部戰場形成兵力優勢,歷史上每一場戰役都無 法逃避這個規律,而放棄機動的部隊通常沒有太好的下場。 那麼,有更好的解法嗎? 有沒有更好的解法,我自己覺得真的不好說,往好了說國軍可以開始加國防預算爆買裝備把 每個旅都編成西德那樣的反甲狂魔國土守備旅,解放軍登陸就吃飛彈吃到飽;往壞了說作戰 分區在空中打擊威脅下說不定裝甲部隊連前進十公里到海灘都做不到。不過可以確定的是, 國軍已經放棄繼續堆高後備旅數量開始裁軍。我不知道國軍內部爭論爭出來的結果是什麼, 但是他們表面上交出的答卷就是放棄固守所有作戰地域的樣子,轉而選擇只做主要城市的守 備,至於現況守備問題的解法就留給各自發揮想像力吧 https://i.imgur.com/26jXVnx.jpg
2014三戰區旅級部隊部署 https://i.imgur.com/NBnDRC2.jpg
2023三戰區旅級部隊部署 https://i.imgur.com/NBoHwXz.jpg
2024三戰區旅級部隊部署 ---- Sent from BePTT on my Sony XQ-CC72 -- ※ 發信站: 批踢踢實業坊(www.ptt-site.org.tw), 來自: 111.71.214.238 (臺灣) ※ 文章網址: https://www.ptt-site.org.tw/Military/M.1702908161.A.313
geesegeese : 好吧,不算制空制海權爭奪戰此篇非常有道理 12/18 22:06
geesegeese : 只不過城鎮包含城鎮外圍的防線就是了 12/18 22:06
geesegeese : 簡單問一句台海的制空權與制海權是誰的? 12/18 22:07
geesegeese : 中共or台灣?呵 12/18 22:07
rommel1 : 台灣四面環海 海空軍優先 12/18 22:10
yovroc: 有人被包養 12/18 22:10
rommel1 : 跟西德比起來台灣有天險 12/18 22:14
jason748 : 推 12/18 22:19
jason748 : 一樓真有信心 12/18 22:19
afv : 以台海環境搭配海鋒部隊擴編,實際上的反登陸主力 12/18 22:20
afv : 怕是岸基反艦飛彈 12/18 22:20
helgalie: 求包養...管飽就好XD 12/18 22:20
afv : 然後參考烏軍的戰況,部隊跨區調度要靠各式防空飛彈 12/18 22:20
afv : 部隊掩護 12/18 22:20
geesegeese : 信心啥我從來不覺得台海的制空權制海權會是其他人 12/18 22:20
geesegeese : 外行的會一直以為那個攻方有機會拿下,守方會丟失 12/18 22:21
afv : 應該說我們的目標是制空制海權,我們沒有,對方也 12/18 22:22
OREOMZA: 阿姨!我不想努力了(求包養) 12/18 22:22
afv : 不能有 12/18 22:22
geesegeese : 其實那根本不是台海戰爭攻方或守方的東西 12/18 22:22
x86t : 應該說你覺得對岸會沒有一點制空就衝過來? 12/18 22:23
geesegeese : 不管有沒有打起來都是有本事畫中線的那一個的,別信 12/18 22:23
geesegeese : 可以試試看 12/18 22:23
punjab: 有沒有富二代要包養 12/18 22:23
Gdiaofuta : 以陸制空和以陸制海是有極限的,老美會救多快還是 12/18 22:23
Gdiaofuta : 比較關鍵。 12/18 22:23
rommel1 : 還是要看美方的援助到什麼程度 12/18 22:24
geesegeese : jason你覺得是我有信心還是兩岸軍隊不知道天高地厚 12/18 22:24
geesegeese : ? 12/18 22:24
sashare: 身邊有朋友被包養 12/18 22:24
jason748 : 之前老美兵推不是說最樂觀情況下至少都會有兩萬人 12/18 22:24
jason748 : 上岸 12/18 22:24
rommel1 : 看現在的俄烏戰 提供裝備.彈藥 12/18 22:25
geesegeese : 救?海峽中線以東就是太平洋艦隊巡弋範圍,誰是要 12/18 22:25
geesegeese : 救你? 12/18 22:25
sijiex: 亞洲最大包養平台上線了 12/18 22:25
afv : 以陸制海來說,重點在於殺傷多少大型運輸船舶,尤 12/18 22:26
afv : 其是正規兩棲登陸艦與民用滾裝船,一但被殺傷嚴重, 12/18 22:26
afv : 運力恢復不是一時半刻的事 12/18 22:26
Gdiaofuta : 該怎麼說,冷戰時即使華約空軍比起北約整體較弱, 12/18 22:26
Gdiaofuta : 但是至少仍然能打出一個禮拜的戰場空優來掩護地面 12/18 22:26
VLADINA: 這個包養網正妹好多 是真的嗎 12/18 22:26
Gdiaofuta : 部隊突擊,而上文也已經說了一個禮拜可以讓華約方 12/18 22:26
Gdiaofuta : 面軍突擊350-400公里,你要說沒用也不是真的沒用。 12/18 22:26
geesegeese : 叫台灣搞後備的說詞,帝國海軍認真起來,誰擋得了? 12/18 22:27
afv : 就算被衝上一波,只要殺傷這些運輸船艦,就基本截斷 12/18 22:27
afv : 後續梯隊 12/18 22:27
odemagus: 真的有這麼多人在找包養 12/18 22:27
rommel1 : 除非美中正式宣戰 12/18 22:27
afv : 當年古寧頭能贏,也是摧毀那些船隻,導致共軍送上 12/18 22:28
afv : 第一波三個團,就無法再繼續發動攻勢 12/18 22:28
geesegeese : 幹死運兵船的確是海軍死都要達成的任務 12/18 22:28
geesegeese : 美中正式宣戰(x)攻方偷襲警察車(0) 12/18 22:34
yes500: 有人可以分析一下包養平台的差異嗎 12/18 22:34
geesegeese : 後果如何可以問一下山本五十六 12/18 22:35
x86t : 重點是沒人知道帝國軍何時跟怎麼出手阿 一開始就拉 12/18 22:38
x86t : 上米日戰隊也不用討論了啊 一定會贏 12/18 22:38
jamie81416 : 完全制海?別鬧了,老共真要打不計成本完全能取得 12/18 22:39
jamie81416 : 至少1-2週的空優&制海。人家就是船多飛機多 12/18 22:39
alexantiy: 那個包養網人最多XD 12/18 22:39
geesegeese : 事實上帝國海軍一直有在巡田水 12/18 22:39
jamie81416 : 給你慢慢打都不一定一兩週搞定 12/18 22:40
geesegeese : 還是兩岸都覺得台灣是中國拿下的? 12/18 22:40
jamie81416 : 共軍攻台完全就是拚一次梭哈,這種情況下國軍海空 12/18 22:41
jamie81416 : 一定會漏,這是兩邊規模造成的結果 12/18 22:41
sowrey: 我妹上包養網被我發現= = 12/18 22:41
afv : 不然讓共軍無限制送人上來,金門島上的國軍殘軍(總 12/18 22:41
afv : 共10個師級單位,但加總只有4萬人,平均一個師只剩4 12/18 22:41
afv : 000人)怕是被輾過去 12/18 22:41
Gdiaofuta : 華約就是靠空軍和海軍去跟北約堆屍來搶制空權的, 12/18 22:41
Gdiaofuta : 我不懷疑解放軍會做同樣的事,特別是假如開戰後盟 12/18 22:41
cw758: 隔壁桌的人竟然在討論包養... 12/18 22:41
Gdiaofuta : 軍不是馬上介入的話解放軍台海海空優能拿更久 12/18 22:41
jamie81416 : 國軍陸軍就是要有能力頂這2週 12/18 22:41
geesegeese : 不要以為開戰,攻防只需要顧台海,雷根大帝號一直在 12/18 22:41
jamie81416 : 老話一句,你能賭2周內美國下定決心和中國開片? 12/18 22:42
geesegeese : 帝國的威懾力最近伊朗有嚐到,可以問他一下 12/18 22:42
ludi: 樓上是不是被包養 12/18 22:42
jamie81416 : 這從來都是心理戰範圍,個人是非常不看好2周內 12/18 22:43
jamie81416 : 美軍決定下場的時間 12/18 22:43
geesegeese : 人家早在你集結前就派人來了,別不信邪 12/18 22:43
afv : 我們目標就是在船團出航半渡時全力打擊船團,就算 12/18 22:43
afv : 有人衝上岸,還是打掉一艘船算一艘,避免它再開回去 12/18 22:43
peernut: 未看先猜這包養 12/18 22:43
afv : 運兵 12/18 22:43
x86t : 巡田水 介入跟出手是三個狀態吧 XD 12/18 22:43
geesegeese : 還2周,是提前2周嗎? 12/18 22:43
geesegeese : 海空軍戰前就是講牽制,不然擋你道你打看看 12/18 22:44
jamie81416 : 而且以共軍的能力,完全能2周內讓中國沿岸200公里 12/18 22:45
xikimi: 一定又是這包養 12/18 22:45
jamie81416 : 成為禁區。除非老美用核彈開路,否則美軍的威懾性 12/18 22:45
jamie81416 : 在兩週內僅限於台灣海峽西邊,對東邊的登陸威脅 12/18 22:45
jamie81416 : 幾乎是零 12/18 22:45
Gdiaofuta : 我覺得一個月有機會吧,但是論禮拜來看應該有點難 12/18 22:45
Gdiaofuta : ,解放軍動員美軍肯定會提高戰備,但是提高戰備跟 12/18 22:45
Avero: 包養平台不意外 12/18 22:45
Gdiaofuta : 出手又是兩回事 12/18 22:45
geesegeese : 尋田水就是出手,1995不是示範過了 12/18 22:45
jamie81416 : 更正,美軍在開戰前兩週只能保證台灣東部海域 12/18 22:46
jamie81416 : 對西部影響要打問號 12/18 22:46
geesegeese : 還是你以為軍艦開過去沒設什麼,打招呼掰掰? 12/18 22:46
ejoz: 覺得包養網EY嗎 12/18 22:46
Gdiaofuta : 就我所參與和看朋友去參加過的兵推,基本上是沒有 12/18 22:46
Gdiaofuta : 設想美軍馬上介入的 12/18 22:46
jason748 : gee完全就是以美軍會參戰的前提去看,那也沒啥好討 12/18 22:46
jason748 : 論的 12/18 22:46
jamie81416 : 都要開戰了,我猜美軍在這兩週壓根兒不會前壓 12/18 22:47
FishRoom: 包養網站葉配啦 12/18 22:47
jason748 : 國軍自己都不敢這麼有信心 12/18 22:47
jamie81416 : 反而會在後方編組 12/18 22:47
geesegeese : 台灣海峽甚至攻方東南沿海絕對都在打擊範圍 12/18 22:48
jamie81416 : 中國就是有一狗票陸地機場和你耗,除非美軍能先制 12/18 22:48
jamie81416 : 打擊,否則航母肛陸地機場從沒好下場 12/18 22:48
KsiR: 記者收了包養網多少啦 12/18 22:48
geesegeese : 只是帝國會叫守方去攻擊就是了 12/18 22:49
geesegeese : 台灣剛好很多愛國者等著 12/18 22:49
jamie81416 : 國軍空軍戰時能癱瘓幾個飛的到台灣的機場就不錯了 12/18 22:50
jamie81416 : 想癱瘓中國沿海的全部機場?想啥呢 12/18 22:50
geesegeese : 看你攻方陸航多還是守方防空飛彈多 12/18 22:50
peoples: 包養真亂 12/18 22:50
afv : 以之前版上空軍教官說法,我們要爭取的也不是持續一 12/18 22:51
afv : 整週或一整天的空優,只要在船團出航半渡的15分鐘, 12/18 22:51
afv : 海空軍能聯合制海殺傷船團就可以讓登陸戰失敗 12/18 22:51
geesegeese : 癱瘓攻方飛機在眾院議長訪台時不是示範過了? 12/18 22:51
jason748 : gee沒有想要認真討論,簡單結論台灣或成最大贏家 12/18 22:51
wilmer: 演藝圈一堆包養好嗎 12/18 22:51
geesegeese : 攻方機場能不能癱瘓看守方空軍與情報支持 12/18 22:52
afv : https://i.imgur.com/tMpUshH.jpg 12/18 22:52
geesegeese : 我沒有要跟jason討論 12/18 22:52
afv : 所以才有海空特別戰力預算跟岸基魚叉買好買滿的政 12/18 22:53
afv : 策 12/18 22:53
badlip: 政治圈一堆包養好嗎 12/18 22:53
geesegeese : 你也不要把你的意見一直說給我聽 12/18 22:53
geesegeese : 啥台灣最大贏家?台灣被炸爛還贏喔,人沒上岸飛彈會 12/18 22:54
geesegeese : 原po講的有道理但與台海防衛作戰的構想有差異 12/18 22:55
Gdiaofuta : n0大說的對,但是解放軍空軍重點也是一樣,只是他 12/18 22:59
Gdiaofuta : 們的重點跟台灣的目標不同,國軍是抓機會打擊,解 12/18 22:59
piggyoil: 有錢人一堆包養好嗎 12/18 22:59
Gdiaofuta : 放軍是壓制國軍空軍及雷達並掩護地面作戰。美軍介 12/18 22:59
Gdiaofuta : 入後解放軍丟台海空優是必然的,但是在那之前能抓 12/18 22:59
Gdiaofuta : 多穩抓多穩是他們的目標。 12/18 22:59
afv : 所以我們這邊建軍目標就會跟解放軍對幹:阻止他們 12/18 23:01
afv : 抓穩,尤其是登陸攻勢發起的時刻更要搶到,其他時 12/18 23:01
TwixBar: 學生妹被包養多嗎 12/18 23:01
afv : 刻就可以戰力保存 12/18 23:01
geesegeese : 應該說開戰就是要挑戰美軍對該區域的制空制海權 12/18 23:02
geesegeese : 攻方最近也一直強調這點,所以會一直看到彈道飛彈 12/18 23:03
geesegeese : 打航艦 12/18 23:03
geesegeese : 不過嘛,騙人的玩意,但是又不能說破 12/18 23:03
boggicer: 亞洲最大包養網上線啦 12/18 23:03
afv : 所以台灣這邊與其有限的預算搞陸軍,投資更多岸基 12/18 23:03
afv : 防空跟反艦飛彈彈藥量,維持續戰力,以在必要時掩護 12/18 23:03
afv : 與協同空軍機隊抓住窗口重創船團 12/18 23:03
jason748 : 全投資在反艦飛彈有風險…… 12/18 23:04
jason748 : 擊殺率50%以上真的能做到? 12/18 23:05
Chiason: 我哥上包養網被我抓包.. 12/18 23:05
afv : 我們的預算有限,只能挑重點做,尤其登陸戰打擊船 12/18 23:06
afv : 團是勝敗核心 12/18 23:06
jason748 : 花大錢買了那麼多魚叉還不夠嗎 12/18 23:06
afv : 畢竟登陸船團要主動靠近台灣,實際上是放棄了防禦距 12/18 23:08
afv : 離,島上有越多反艦飛彈發射單位與彈藥,越靠近,被 12/18 23:08
Markell: 有人包養過洋鬼子嗎 12/18 23:08
afv : 突防的風險越高 12/18 23:08
geesegeese : 不是只有買岸基反艦,建案陸海空三軍都有 12/18 23:08
afv : 我們不只買魚叉,海空預算那邊也買一堆雄風 12/18 23:08
afv : 也買一堆天弓與天劍來防空 12/18 23:09
Gdiaofuta : 魚叉在國軍自己的模擬測驗中20發才有辦法突防解放 12/18 23:09
fuoya: 有錢人為啥都想包養 12/18 23:09
Gdiaofuta : 軍神盾艦,可能只有登陸艦能打吧,但是飛彈火控雷 12/18 23:09
Gdiaofuta : 達開機也會暴露位置,所以也有被抓瞎的風險。 12/18 23:09
jason748 : 那你乾脆說梭哈全買LRASM不是比較好 12/18 23:10
afv : 我們的重點打擊目標應該是打登陸艦,切斷運力為上 12/18 23:11
afv : LRASM是空射彈藥,還是需要戰機起飛發射 12/18 23:12
Apasiri: 有人被洋鬼子包養過嗎 12/18 23:12
afv : 地面飛彈部隊還比較方便戰時機動躲藏,在必要時才開 12/18 23:13
afv : 機現身全力攻擊 12/18 23:13
jason748 : 那你說要買多少ASM才足夠,當年魚叉這案子800億就 12/18 23:15
jason748 : 排擠到不少建案了 12/18 23:15
peterlee97 : 我記得切蛋糕戰術還有個講法:分層防衛 12/18 23:16
litidi: 到底要多有錢才會想包養 12/18 23:16
afv : 400枚魚叉搭配100輛發射車,等於只有車上四枚待射彈 12/18 23:18
afv : ,至少再補400枚備彈 12/18 23:18
Gdiaofuta : 我是比較習慣cake layer的說法了,所以用這個 12/18 23:19
afv : 海鋒部隊我覺得至少彈藥算上架上的待射彈,要能齊射 12/18 23:19
afv : 三次 12/18 23:19
Merzario: 閨蜜上包養網還推薦我... 12/18 23:19
Gdiaofuta : 海鋒目前備彈只有一次再裝填的能力而已 12/18 23:21
Gdiaofuta : 三次的話.......猴年馬月了 12/18 23:21
afv : 一次再裝填的話,應該算兩次了(待射一次、備彈一 12/18 23:23
afv : 次) 12/18 23:23
lljjfrdr1 : 你說的這個好像是1976年的FM-100-5 積極防禦準則吧? 12/18 23:31
Muzaffer: 包養? 12/18 23:31
lljjfrdr1 : 但其實這套準則,在美軍內部反響其實也不好..... 12/18 23:32
lljjfrdr1 : 後來1982年FM-100-5就改成 空地一體化準則了.... 12/18 23:34
allen970893 : 比較好奇的是解放軍要從哪裡登陸會真的不好判斷嗎? 12/18 23:38
allen970893 : ?如果仿效日本陸自的反登陸,判斷出敵方登陸點後, 12/18 23:38
allen970893 : 部隊機動+火力把敵軍約束在灘頭,再用遠程火力轟擊 12/18 23:38
MIJice: 現在包養網都這麼直接嗎 12/18 23:38
allen970893 : 灘頭堡,還是真的喪失空優後,國軍防空無法掩護部 12/18 23:39
allen970893 : https://i.imgur.com/2SKtfWi.jpg 12/18 23:39
Gdiaofuta : 空地一體說實在也沒有人真的有辦法試過這東西到底 12/18 23:39
Gdiaofuta : 有沒有用,裡面其實也有蠻多很雷人的地方.....我覺 12/18 23:39
Gdiaofuta : 得並沒有比積極防禦好 12/18 23:39
SpyTime: 歐美包養真的很平常嗎? 12/18 23:39
lljjfrdr1 : 更注重如何打擊第二梯隊的兵力..... 12/18 23:40
Gdiaofuta : 國軍防空無法掩護部隊機動(?) 12/18 23:40
Gdiaofuta : 國軍認為自家防空不能阻止空中遮斷(O) 12/18 23:40
geesegeese : 解放軍船團集結與渡海一直都有在監控 12/18 23:42
geesegeese : 料敵從寬,必須認定攻方聰明知道一次全上,建立灘頭 12/18 23:43
Toth: 男友上包養網 該放生嗎 12/18 23:43
geesegeese : 堡 12/18 23:43
Gdiaofuta : 空地一體稀釋了前沿阻擊華約的部隊,劣勢兵力下投 12/18 23:43
Gdiaofuta : 入部隊進行寬正面防禦後到底擋不擋得住華約的密集 12/18 23:43
Gdiaofuta : 裝甲突擊我覺得還是要先打一下問號 12/18 23:43
geesegeese : 所以台灣適合登陸的地點都有可能,只是船團嗎,海上 12/18 23:44
Asterix: 是這個包養平台嗎 12/18 23:44
geesegeese : 飄盪的 12/18 23:44
geesegeese : 不管登陸地點,只有對方船團進犯意圖明顯,就要反 12/18 23:46
geesegeese : 舟波了 12/18 23:46
geesegeese : 如果是彈道飛彈招呼守方,那就是開戰了,沒在等過 12/18 23:47
geesegeese : 中線了 12/18 23:47
AdamShi: 交男友跟包養有什麼差別 12/18 23:47
peterlee97 : 另外 真的有登陸戰的時候 早就沒有制海制空了 為什 12/18 23:49
peterlee97 : 麼還在覺得海空必勝...反過來是要持續陸戰廢弛嗎? 12/18 23:49
peterlee97 : (有時候都覺得反大陸軍的是不是打從一開始就是只想 12/18 23:49
peterlee97 : 別人坦與投降主義) 還有要美軍軍艦近海峽巡弋 你是 12/18 23:49
peterlee97 : 當非戰時嗎... 戰時狀態下不管誰進海峽 只要雷達還 12/18 23:49
lezabo: 包養網到底在紅什麼? 12/18 23:49
peterlee97 : 沒瞎都是很容易被集火的目標... 然後老是在想都是別 12/18 23:49
peterlee97 : 人會幫 那有沒有想過如果沒有直接介入怎麼辦== 這 12/18 23:50
peterlee97 : 樣根本終止設想說如果怎麼了要怎麼辦的推演== 12/18 23:50
peterlee97 : 積極防禦的話 好像在1988還是1982左右的演習 仍然這 12/18 23:50
peterlee97 : 套準則在使用 (看大熊將軍回憶錄的) 12/18 23:50
silberger: 有人被包養 12/18 23:50
peterlee97 : 最後補充 古寧頭戰役部隊“參戰”兵力不是四萬 目前 12/18 23:50
peterlee97 : 考據約5、6萬(國防部有個823前後的兵力部署解密) 12/18 23:50
peterlee97 : 而當時還有部隊沿線抓丁參戰 至多可能可膨脹到十萬 12/18 23:50
peterlee97 : ...(金門人口當時約6萬) 12/18 23:50
Gdiaofuta : 積極防禦一直都有在用,真正推要換的還是老美,其 12/18 23:52
xayile: 求包養...管飽就好XD 12/18 23:52
Gdiaofuta : 他國家沒有這麼容易跟進 12/18 23:52
peterlee97 : 古寧頭戰役那個不要看維基或國軍最近出的月刊 跟過 12/18 23:53
peterlee97 : 去不合外 跟我口述問到的也完全不對== 12/18 23:53
Ryohatan : 軍團級重砲營不會第一波佈防到海灘嗎?還是等灘岸 12/18 23:57
Ryohatan : 守備部隊潰敗得差不多了再來轟灘頭已上岸的敵軍? 12/18 23:57
cazo: 阿姨!我不想努力了(求包養) 12/18 23:57
Gdiaofuta : 軍團砲兵在縱深12公里處,詳情請見“守備戰術觀察 12/18 23:59
Gdiaofuta : :從584旅反擊區看國軍防禦規劃” 12/18 23:59
peterlee97 : 登陸戰放在海灘 是要被點掉嗎== 真的發起登陸戰代 12/19 00:00
peterlee97 : 表共匪有區域穩定制空權+以壓制岸際飛彈部隊 把砲兵 12/19 00:00
peterlee97 : 放靠近灘頭是直接暴露重要戰術單位... 12/19 00:00
izilo: 有沒有富二代要包養 12/19 00:00
WaterFrog : 原本想用文章回應,後來決定還是留言回一回 12/19 00:02
WaterFrog : 1.以文章提到的1980年代,北約面臨的問題不是蘇聯主 12/19 00:02
WaterFrog : 攻會從哪裡進攻,因為依據情報蘇聯主攻從1970年代以 12/19 00:02
WaterFrog : 攻會從哪裡進攻,因為依據情報蘇聯主攻從1970年代以 12/19 00:02
Ryohatan : 另外LT2000營和日後的海馬士營是假設已經被擊毀?應 12/19 00:02
SEDAP: 身邊有朋友被包養 12/19 00:02
Ryohatan : 該還是會拉出來反登陸吧? 12/19 00:02
Ryohatan : 另外近90架的戰鬥直升機,失去空優直接躲起來等參謀 12/19 00:03
Ryohatan : 本部下令運用? 12/19 00:03
WaterFrog : 後主要是從北德平原作為主攻方向。北約當時面臨到的 12/19 00:03
WaterFrog : 最大問題是自家的前緣掩護部隊撐不撐的到後方部隊集 12/19 00:03
TUZom: 亞洲最大包養平台上線了 12/19 00:03
WaterFrog : 結完畢後前來增援。以1980年代的狀況,由於老美部屬 12/19 00:03
WaterFrog : 一支裝騎團在富爾達缺口,而裝騎團的指標是要擋住一 12/19 00:03
WaterFrog : 個蘇聯諸兵團合成軍一個禮拜左右,這代表蘇聯突破這 12/19 00:03
WaterFrog : 裡時第一批返德者也差不多部屬完畢。因此蘇聯才在 12/19 00:04
WaterFrog : 1970年代後選擇北德平原作為主攻方向 12/19 00:04
Jiulon: 這個包養網正妹好多 是真的嗎 12/19 00:04
WaterFrog : 2.北方集團軍最弱的不是荷蘭軍,恰恰相反荷蘭軍當時 12/19 00:04
WaterFrog : 在北方集團軍裡面是除了西德軍以外最強的戰力了。荷 12/19 00:04
WaterFrog : 軍當時面臨到的問題是荷軍本身也需要動員,這會讓荷 12/19 00:05
WaterFrog : 軍在開戰初期面臨到極大的劣勢。再加上比利時軍和英 12/19 00:05
WaterFrog : 軍的作戰實力堪稱五十步笑百步(這部分以英軍為例, 12/19 00:05
laetuon: 真的有這麼多人在找包養 12/19 00:05
WaterFrog : 有一段時間每個師底下只有兩個旅,除了因為英軍本身 12/19 00:05
WaterFrog : 數量比較小之外,當時北愛爾蘭鬧獨立導致英軍也要保 12/19 00:05
WaterFrog : 留一部份實力在英倫本島),有可能荷蘭還沒集結完畢 12/19 00:06
WaterFrog : ,蘇聯就已經打入荷蘭本土 12/19 00:06
WaterFrog : 3.另外北約當然要擔心縱深部隊被打擊啊,而且這還是 12/19 00:06
slot365: 有人可以分析一下包養平台的差異嗎 12/19 00:06
WaterFrog : 西德挖出來的坑。這是因為冷戰後西德軍隊藉著數量和 12/19 00:06
WaterFrog : 硬實力逐步掌握北約話語權,使得1970年代以後北約從 12/19 00:06
WaterFrog : 縱深防禦改為前沿防禦,也就是增加第一線部隊數量, 12/19 00:06
WaterFrog : 盡可能地將蘇聯擋在兩德邊界附近。蘇聯人自然也知道 12/19 00:06
WaterFrog : 盡可能地將蘇聯擋在兩德邊界附近。蘇聯人自然也知道 12/19 00:06
colortea: 那個包養網人最多XD 12/19 00:06
WaterFrog : 這一點,所以才從大縱深作戰改成戰役機動作戰,從擊 12/19 00:07
WaterFrog : 潰北約一線部隊及其預備部隊改成打擊佔領西德境內重 12/19 00:07
WaterFrog : 要交通要點和戰略要地,除了迫使北約第一線部隊面臨 12/19 00:07
WaterFrog : 要進不能進,要退也不能退的局面,也讓北約縱深部隊 12/19 00:08
WaterFrog : 難以前去支援 12/19 00:08
glenber: 我妹上包養網被我發現= = 12/19 00:08
WaterFrog : 最後談到國軍嘛...其實也是有解決方法,這是因為台 12/19 00:08
WaterFrog : 灣的狀況跟富爾達缺口很像,由於環境因素導致進攻方 12/19 00:08
WaterFrog : 的兵力投射有限。富爾達缺口是因為當地為丘陵山地區 12/19 00:08
WaterFrog : 域,機械化部隊不好展開;台灣則是要靠船艦和飛機才 12/19 00:08
WaterFrog : 能投射主要兵力,兵力投射數量受到載具的影響。因此 12/19 00:08
Kimbel: 隔壁桌的人竟然在討論包養... 12/19 00:08
WaterFrog : 解法跟老美在冷戰時期的方法一樣,在北中南各設立一 12/19 00:09
WaterFrog : 隻類似於裝甲騎兵團的部隊,底下除了涵蓋裝、砲、航 12/19 00:09
WaterFrog : 的裝備火力,加長並加強單一部隊的作戰能力外,也有 12/19 00:09
WaterFrog : 偵查等相關部隊可以提供情報,確定敵人的位置,加強 12/19 00:09
WaterFrog : 打擊效率。只不過真要建立裝騎團,國軍除了得砍掉不 12/19 00:09
tale1890: 樓上是不是被包養 12/19 00:09
WaterFrog : 少編制可才能滿足一個裝騎團的後勤需求,而且陸航也 12/19 00:09
WaterFrog : 會至少砍掉一個旅才能滿足三支裝騎團的需求,光是職 12/19 00:09
WaterFrog : 位爭奪戰就夠國軍玩的了 12/19 00:10
peterlee97 : 我在想陸航是不是國軍的裝騎團 就是設想為各戰區的 12/19 00:13
peterlee97 : 總戰略預備隊... 12/19 00:13
waterway: 未看先猜這包養 12/19 00:13
Gdiaofuta : 陸航不是裝騎,定位跟REFORGER 差不多 12/19 00:15
Gdiaofuta : 帶機降特戰營去救火 12/19 00:15
jason748 : 北中南各設一個裝騎團很好,那錢呢? 12/19 00:18
geesegeese : 很好奇為何會有人覺得美軍會退出台海?內戰思維嗎? 12/19 00:19
geesegeese : 另外加強海空軍不等於廢弛陸戰,別亂扣帽子 12/19 00:20
mark1888: 一定又是這包養 12/19 00:20
geesegeese : 去問一下鄰國那一個說台海戰役是內戰的,除了攻方以 12/19 00:21
geesegeese : 外 12/19 00:21
geesegeese : 要陸戰,其實人家登陸還不一定是本島 12/19 00:22
geesegeese : 共軍攻台不只是要占領台灣更想稱霸西太平洋,這種周 12/19 00:24
geesegeese : 遭各國都很清楚 12/19 00:24
Quaranta: 包養平台不意外 12/19 00:24
geesegeese : 但是如果只是占領個外島,那就是台灣自己的問題了 12/19 00:24
WaterFrog : 美軍1980年的裝騎團底下的機動兵力有裝騎營*3+航空 12/19 00:24
WaterFrog : 團*1,裝騎營底下是裝騎連*3+裝甲連*1+砲兵連*1, 12/19 00:25
WaterFrog : 裝騎連底下是裝騎排*2(每排6輛IFV)+裝甲排*2(每排4 12/19 00:27
WaterFrog : 輛主戰),裝甲連是裝甲排*3,砲兵連印象中是砲兵排 12/19 00:28
schlemm: 覺得包養網EY嗎 12/19 00:28
WaterFrog : *3(每排3輛M109),航空團印象中是偵蒐連*3(每連8架 12/19 00:28
WaterFrog : OH-58)+武直連*2(每連8架眼鏡蛇)。所以真要搞出3支 12/19 00:29
WaterFrog : 裝騎團,除了陸航會欠編,地面作戰載具是搞得出來的 12/19 00:30
WaterFrog : 偵蒐裝備也有難度,人員靠縮編補齊。因此最大問題是 12/19 00:31
WaterFrog : 軍官要怎麼塞的問題 12/19 00:31
Wirol: 包養網站葉配啦 12/19 00:31
Gdiaofuta : 西德是用裝甲旅當掩護部隊用,至於師屬偵察部隊是 12/19 00:31
Gdiaofuta : 裝甲偵察營,營內有支援連、兩個重型裝甲偵察連、 12/19 00:31
Gdiaofuta : 一個混合裝甲偵察連、一個裝甲偵察連 12/19 00:31
Gdiaofuta : 大部分的軍是沒有專屬的裝騎團或裝甲偵察團的,都 12/19 00:32
Gdiaofuta : 是用裝甲旅特遣 12/19 00:32
marecht: 記者收了包養網多少啦 12/19 00:32
jason748 : 砲兵連跟裝騎混編不就某火箭大濕最愛講的…… 12/19 00:33
WaterFrog : 應該說也只有老美有足夠的$$能搞出半師編制的裝騎團 12/19 00:34
WaterFrog : J大,你要搞清楚裝騎團在美軍的作戰定位,它是作為 12/19 00:35
WaterFrog : 軍級單位的前沿掩護部隊,所以每個裝騎連就有一組2 12/19 00:35
WaterFrog : 車的M1064迫砲車組(這算是半個營級火力編制),每個 12/19 00:36
riokio: 包養真亂 12/19 00:36
WaterFrog : 裝騎營有一個砲兵連(這算1/3個旅級火力),更不用提 12/19 00:37
WaterFrog : 團底下的航空部隊(這算是師級底下編制)。不過也因為 12/19 00:38
Gdiaofuta : 我覺得能組成裝騎團是一回事,就不論怎麼比歐洲北 12/19 00:38
Gdiaofuta : 約盟軍的裝備的富有程度也都還是碾壓亞洲國家,甚 12/19 00:38
Gdiaofuta : 至1970年西德軍屬砲兵指揮部就有無人機前觀連這種 12/19 00:39
wiimas: 演藝圈一堆包養好嗎 12/19 00:39
Gdiaofuta : 東西,這些拿到現在來看都還是很恐怖的,但是即便 12/19 00:39
Gdiaofuta : 裝備已經先進的非常離譜仍然要付出巨大的努力才有 12/19 00:39
Gdiaofuta : 辦法與華約國家抗衡...... 12/19 00:39
jason748 : 國軍砲兵應該沒辦法拆成這樣用 12/19 00:39
Ryohatan : 台灣擁有90架A機其實是很可觀的戰力 12/19 00:39
Branlli: 政治圈一堆包養好嗎 12/19 00:39
lljjfrdr1 : 台灣一個島要3個 像黑馬團一樣的裝騎團是有點誇裝.. 12/19 00:40
WaterFrog : 蘇聯解體,外加後來美軍師改旅風潮,後來一堆裝騎團 12/19 00:40
peterlee97 : 美軍退出台海是戰術上問題 在狹窄海峽展開航母戰鬥 12/19 00:40
peterlee97 : 群 這匪共看了做夢都會笑 不講太遠 最近這次飛彈危 12/19 00:40
WaterFrog : 都變成SBCT的編制 12/19 00:40
Cinedt: 有錢人一堆包養好嗎 12/19 00:40
peterlee97 : 機美軍有直接衝進海峽? 這還不是戰時欸 而且現在 12/19 00:40
peterlee97 : 有在討論內戰嗎? 你滿滿都是政治在算而已 根本沒在 12/19 00:40
peterlee97 : 想作戰方面的問題 只是想有外掛而已== 而且美軍會 12/19 00:40
peterlee97 : 救 那他會怎麼救? 你能做絕對保證是海空直接性投入 12/19 00:40
peterlee97 : 阻絕性支援? 12/19 00:40
Drither: 學生妹被包養多嗎 12/19 00:40
Gdiaofuta : 國軍砲兵連1970年代的西德砲兵都不能比,就不要跟 12/19 00:40
Gdiaofuta : 美軍比了吧.... 12/19 00:40
jason748 : 國軍砲兵還停留在二戰等級…… 12/19 00:42
jason748 : 搞這種裝騎營會出事吧 12/19 00:42
jason748 : 是說原來無人機前觀這麼早就有應用了喔,我還以為 12/19 00:43
Notker: 亞洲最大包養網上線啦 12/19 00:43
jason748 : 是這十幾年的事 12/19 00:43
peterlee97 : 我以為1970的前觀是用觀測直升機? 12/19 00:45
Gdiaofuta : 沒有,西德前觀用無人機 12/19 00:46
Gdiaofuta : 7 12/19 00:47
Peycere: 我哥上包養網被我抓包.. 12/19 00:47
Gdiaofuta : 影片參考 12/19 00:47
peterlee97 : 這先進度..難怪西德會特別凶並成為北約最大軍事力量 12/19 00:48
peterlee97 : 影響到戰後 東德則是被壓力弄到自己崩潰 12/19 00:48
Gdiaofuta : Neue Artillrieaufklärer就是新型砲兵偵察的意思 12/19 00:48
jason748 : 國軍落後北約50年…… 12/19 00:49
vd422: 有人包養過洋鬼子嗎 12/19 00:49
Gdiaofuta : 甚至每個軍直屬單位都還有衛星照片情報分析排 12/19 00:49
Gdiaofuta : B 12/19 00:53
WaterFrog : 如果西德不努力,他的國土很快就會變成一片戰場, 12/19 00:56
WaterFrog : 所以西德軍隊只能奮起 12/19 00:56
lutano: 有錢人為啥都想包養 12/19 00:56
Gdiaofuta : 反之如果台灣不努力....(ry 12/19 00:57
WaterFrog : 而且如同G大講的,冷戰時期整個歐洲都是武德充沛到 12/19 00:58
WaterFrog : 爆棚,相比於現在的東亞軍武整備是有過之而無不及 12/19 00:58
Gdiaofuta : 東亞整體上都比較和平,戰爭風險一直以來都沒有冷 12/19 01:02
Gdiaofuta : 戰歐洲前線高,自然難以展現出像西歐國家那樣瘋狂 12/19 01:02
muiwo: 有人被洋鬼子包養過嗎 12/19 01:02
Gdiaofuta : 的軍備競賽 12/19 01:02
WaterFrog : 台灣的話,可能要受到不小的刺激才會開始奮起吧 12/19 01:03
Gdiaofuta : 不過毛澤東時代的上千民兵師上萬民兵團倒是有復刻 12/19 01:03
Gdiaofuta : 歐洲這種瘋狂的擴軍行動 12/19 01:03
jason748 : 有時看人說台灣可以輕鬆車過去現在一些西歐國家, 12/19 01:04
sunuzo: 到底要多有錢才會想包養 12/19 01:04
jason748 : 這五十年的差距能靠數量彌補嗎…… 12/19 01:04
peterlee97 : 文革那個只能算+9大隊吧.. 12/19 01:05
Gdiaofuta : 大辦民兵師是為了跟蘇聯打核戰爭,不是文革 12/19 01:06
peterlee97 : 國軍真的要武裝到牙齒 在1960-70代在當時的財力物力 12/19 01:07
peterlee97 : 下勉強算 在那之後重心轉移威脅也降低 就沒了 最近 12/19 01:07
UNIQC: 閨蜜上包養網還推薦我... 12/19 01:07
peterlee97 : 一波(想)強化武裝除了這次外應該是飛彈危機 但現 12/19 01:07
peterlee97 : 在看當時危機後 好像沒換了什麼 12/19 01:07
peterlee97 : 喔喔 我把文革那坨民兵隊與對抗蘇聯那個搞混了 12/19 01:08
Gdiaofuta : 我一直都不覺得國軍能有所謂的輕鬆碾什麼西歐國家 12/19 01:08
Gdiaofuta : ,那只是數字給人的幻覺而已,平時拿來開玩笑可以 12/19 01:08
dewaro: 包養? 12/19 01:08
Gdiaofuta : 但是把他當真就算了 12/19 01:08
WaterFrog : 對面是因為經歷了珍寶島到鐵列克提事件後才知道蘇聯 12/19 01:09
WaterFrog : 是真的想要對面死,才搞出一系列兵團。當時威脅最大 12/19 01:09
WaterFrog : 的是蘇聯駐蒙集群,對面當時在蘇聯進軍路上搞出堡壘 12/19 01:09
WaterFrog : 山來減緩蘇聯進攻速度 12/19 01:09
Elfego: 現在包養網都這麼直接嗎 12/19 01:09
Gdiaofuta : 1960年代後毛澤東搞了6600個民兵師包括40000多個民 12/19 01:09
Gdiaofuta : 兵團,堪稱人類史上擴軍最瘋狂的案例 12/19 01:09
peterlee97 : 現在尻德國聯邦軍還可吧 用人海戰術..(? 12/19 01:09
Gdiaofuta : 所以說國光計畫也就永遠沒戲了( 12/19 01:10
peterlee97 : 上面這個我還不知道 研究一下共軍軍史好了應該也很 12/19 01:11
Nicodim: 歐美包養真的很平常嗎? 12/19 01:11
peterlee97 : 有趣.... 12/19 01:11
peterlee97 : 我只有知道共軍民兵一大堆有造成反攻大陸的觀測與計 12/19 01:12
peterlee97 : 畫時看到這拖就覺得不可行 不知道其他細節 12/19 01:12
jason748 : 有些板友感覺是真的把這玩笑當真…… 12/19 01:14
peterlee97 : 就 德軍現在迷惑行為 對比以前的武德充沛 有些廢到 12/19 01:16
Foning: 男友上包養網 該放生嗎 12/19 01:16
peterlee97 : 笑 12/19 01:16
reich3 : 共軍都沒有信心美國絕對不參戰了~ 12/19 07:44
reich3 : 那所有完美的台灣登陸計畫都只會有一個最糟結果,被 12/19 07:45
reich3 : 全殲。 12/19 07:45
detonator : 防禦重點轉成城市防禦…… 12/19 08:03
AKNY: 是這個包養平台嗎 12/19 08:03
jobli : 很多人都對摩步化有誤解... 12/19 15:29
jobli : 摩托化步兵,看起來高大上,二戰日軍鬼子進村就在用了 12/19 15:29
jobli : 他最大的好處就是步兵不用走路了 12/19 15:29
jobli : 但是,作戰時步兵要下車 12/19 15:29
jobli : 以攻擊來說,在進入攻擊準備位置前3-5公里就全員下車 12/19 15:29
mysister: 交男友跟包養有什麼差別 12/19 15:29
jobli : 重新編組,再行軍進入攻擊準備位置 12/19 15:29
jobli : 如果以防禦來說,放下部隊後就去後方8-10公里準備開 12/19 15:29
jobli : 設收容陣地 12/19 15:29
jobli : 車只在戰略機動和戰術行軍時有用 12/19 15:29
jobli : 戰鬥發起後,就沒有用了 12/19 15:30
cir72: 包養網到底在紅什麼? 12/19 15:30
jobli : 包含機槍,迫砲全部都要下車,重新布署和佔領陣地 12/19 15:30
jobli : 所以國軍守備單位摩步化沒有用,我們戰略上不會再機 12/19 15:30
jobli : 動 12/19 15:30
jobli : 也沒有要離開戰術位置,給車也沒有地方領補給 12/19 15:30
jobli : 而且只有步槍的人就算給你車,給你機動,是換一個地方 12/19 15:30
ATrain: 有人被包養 12/19 15:30
jobli : 送頭嗎? 12/19 15:30
jobli : 補充兵被拉來當動員旅的人,有一台車坐四個人是會去 12/19 15:30
jobli : 你指定地點接著打 12/19 15:30
jobli : 還是上車就閃人,這不好說 12/19 15:30
pain0 : 反對大陸軍=投降主義XD 這滑坡從喜馬拉雅山滑到印 12/19 20:46
grado0802: 求包養...管飽就好XD 12/19 20:46
pain0 : 度洋去了吧,笑死 12/19 20:46